Soler & Palau ZN 708
Kód: VZ110100010Detailní popis produktu
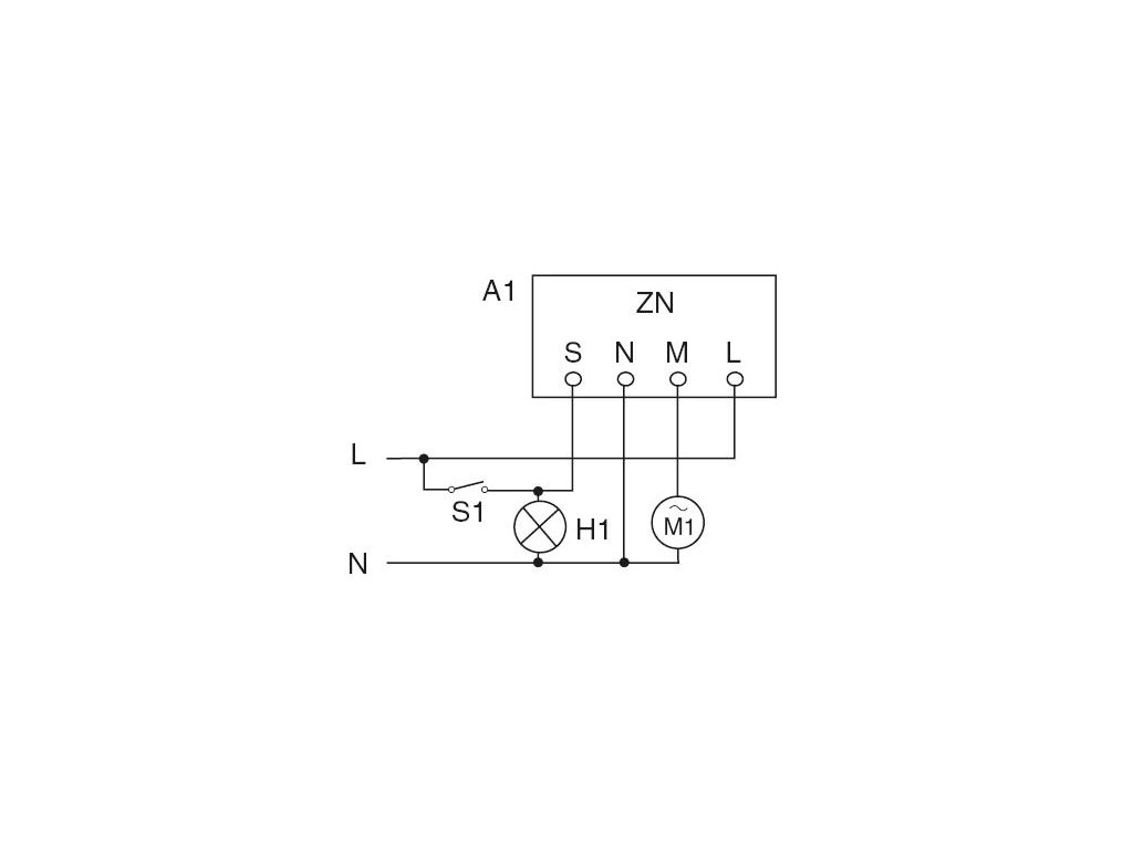
Doběhový spínač ZN 708 s pevně nastaveným časem (8+1 minuta) je vestavěn v plastovém pouzdru, které lze umístit pod vypínač. Doběhový spínač ZN708 má krytí IP20 a je vhodný pro použití na toaletách.
Doplňkové parametry
| Kategorie: | Elektrické příslušenství k ventilátorům |
|---|---|
| Záruka: | 2 roky |
| Hmotnost: | 1.1 kg |
| Napětí [V]: | 230 |
| Teplota [°C]: | 0 až +50 °C |
| Proud [A]: | 0,8 |
Diskuze
Buďte první, kdo napíše příspěvek k této položce.
Obchodní a exportní oddělení Soler & Palau, kde se nachází kromě velkoplošných administrativních prostor a podzemních garáží také vyrovnávací, plně elektronicky řízené exportní sklady s plochou 10.000 m2, se zakládáním v 5-ti patrech a s velkokapacitní nákladovou rampou pro nakládku kamionů.
Zkušebny a laboratoře Soler & Palau
Zkušebny a laboratoře Soler & Palau jsou vybaveny nejmodernějším zařízením a jsou akreditovanou národní nezávislou zkušebnou dle EN 45001-89, která provádí měření i pro další výrobce. Měření jsou prováděna podle standardů AMCA a BRITISH STANDARDS. Ve zkušebně je 6 stálých měřících tratí na měření výkonových charakteristik ventilátorů včetně potřebných řídících pracovišť. Z roku 1948 pocházejí patentové přihlášky Eduarda SOLERA na motor s vnějším rotorem, který firma Soler & Palau začala využívat ve ventilátorech o mnoho let dříve než ostatní výrobci. Ti tento typ motoru začali využívat až poté, co Soler & Palau vyrobil první milion motorů.
