Soler & Palau TCBT/6-800 L PTC
Kód: SP174200332Související produkty
Detailní popis produktu
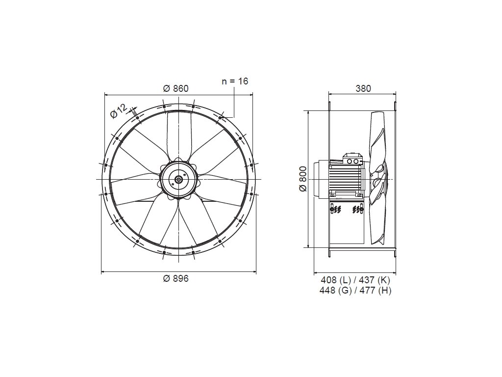
Potrubní axiální ventilátor TCBT/6-800 L PTC má asynchronní motor, dle typu s odporovou kotvou nakrátko nebo stator s chladicími žebry. Motor s odporovou kotvou je vybaven tepelnou ochranou (termokontakty nebo PTC), vinutí je tropikalizované s izolací třídy F. Ventilátor série TCBT (400V) je ventilátor s vysokým výkonem. Skříň ventilátoru je z ocelového plechu, opatřeného černým lakem. Oběžné kolo je z hliníkové slitiny. Montáž potrubního ventilátoru je v každé poloze osy motoru. Skříň nesmí přenášet mechanické namáhání z potrubních rozvodů. Je nutné použít pružné připojení k potrubí.
Skříň ventilátoru
Skříň je z ocelového plechu, opatřeného černým lakem, montážní konzoly a šrouby jsou galvanicky pokoveny.
Oběžné kolo
Oběžné kolo je vyrobeno z hliníkové slitiny. Oběžné kolo je staticky a dynamicky vyváženo, rozsah pracovních teplot je v rozmezí -40 až +40 °C.
Motor ventilátoru
Motor je asynchronní, dle typu s odporovou kotvou nakrátko, stator s chladicími žebry, povrchová úprava černým lakem. Motory s odporovou kotvou jsou vybaveny tepelnou ochranou (termokontakty nebo PTC), vinutí je tropikalizované s izolací třídy F a pracovní teplotou –40 až +40 ?C. Kuličková ložiska mají tukovou náplň na dobu životnosti. Krytí IP55.
Směr otáčení
Směr otáčení je možno měnit u jednofázových i třífázových motorů. Se standardním oběžným kolem klesne pri opačném směru otáčení průtok o cca 30 %. Je možno objednat oběžné kolo pro opačný směr otáčení. Průtok vzdušiny je standardně od oběžného kola k motoru.
Svorkovnice ventilátoru
Svorkovnice je standardně z černého plastu. U jednofázového provedení obsahuje také rozběhový kondenzátor. Svorkovnice je umístěna na skříni (potrubní provedení).
Regulace otáček
Regulace otáček se provádí frekvenčním měničem.
Montáž
Montáž ventilátoru v každé poloze osy motoru. Skříň nesmí přenášet mechanické namáhání z potrubních rozvodů. Je nutné použít pružné připojení k potrubí.
Doplňkové parametry
| Kategorie: | S&P TCBB / TCBT - axiální potrubní ventilátory |
|---|---|
| Záruka: | 2 roky |
| Hmotnost: | 57 kg |
| EAN: | 8413893671509 |
| Napětí [V]: | 400 |
| Krytí IP: | IP55 |
| Provedení: | Potrubní |
| Maximální teplota [°C]: | 40 |
| Otáčky [min-1]: | 965 |
| Proud [A]: | 2,7 |
| Průměr potrubí [mm]: | 800 |
| Průtok [m3/h]: | 20770 |
| Příkon [W]: | 1278 |
| Typ motoru: | AC |
Diskuze
Buďte první, kdo napíše příspěvek k této položce.
Obchodní a exportní oddělení Soler & Palau, kde se nachází kromě velkoplošných administrativních prostor a podzemních garáží také vyrovnávací, plně elektronicky řízené exportní sklady s plochou 10.000 m2, se zakládáním v 5-ti patrech a s velkokapacitní nákladovou rampou pro nakládku kamionů.
Zkušebny a laboratoře Soler & Palau
Zkušebny a laboratoře Soler & Palau jsou vybaveny nejmodernějším zařízením a jsou akreditovanou národní nezávislou zkušebnou dle EN 45001-89, která provádí měření i pro další výrobce. Měření jsou prováděna podle standardů AMCA a BRITISH STANDARDS. Ve zkušebně je 6 stálých měřících tratí na měření výkonových charakteristik ventilátorů včetně potřebných řídících pracovišť. Z roku 1948 pocházejí patentové přihlášky Eduarda SOLERA na motor s vnějším rotorem, který firma Soler & Palau začala využívat ve ventilátorech o mnoho let dříve než ostatní výrobci. Ti tento typ motoru začali využívat až poté, co Soler & Palau vyrobil první milion motorů.
