JETLINE 150
Kód: SP204100030Súvisiaci tovar
Podrobný popis
Diagonální potrubní ventilátor JETLINE 150 je určen pro odvětrávání rodinných domů, sociálních zařízení, kanceláří a provozoven. Skříň je vylisována z ocelového pozinkovaného plechu. Kompaktní nízkoprofilový design. Motor ventilátoru je jednofázový asynchronní s vnějším motorem a tepelnou ochranou. Montáž ventilátoru se provádí pomocí montážní konzole (součást dodávky) v každé poloze osy motoru. Skříň nesmí přenášet mechanické namáhání z potrubních rozvodů. Je nutné použít pružné připojení k potrubí. Regulace otáček se provádí elektronickými nebo transformátorovými regulátory.Skříň ventilátoru
Skříň je vylisována z ocelového pozinkového plechu. Kompaktní nízkoprofilový design. Na hrdlech pro připojení potrubí je gumové těsnění, na výtlaku je integrovaný difuzor zlepšující účinnost a snižující hluk.
Oběžné kolo
Oběžné kolo je vyrobeno z ABS plastu, jeho optimalizovaný design zvyšuje výkon a snižuje hluk.
Motor ventilátoru
Jednofázový asynchronní motor s vnějším rotorem a tepelnou ochranou. Napětí 220-240 V, 50/60 Hz (JETLINE 315 pouze 50 Hz), Třída izolace F, krytí IP44. Pracovní teplota -20 °C až +60 °C.
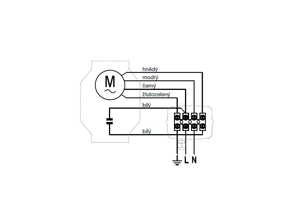
Svorkovnice ventilátoru
Svorkovnice je z černého plastu, je pevně umístněna na skříni ventilátoru.
Regulace otáček
Regulace otáček se provádí elektronickými nebo transformátorovými regulátory.
Montáž
Montáž ventilátoru se provádí pomocí montážní konzole (součást dodávky) v každé poloze osy motoru. Skříň nesmí přenášet mechanické namáhání z potrubních rozvodů. Je nutné použít pružné připojení k potrubí.
Pokyny
Ventilátory jsou určeny k odvětrání rodinných domů, sociálních zařízení, kanceláří a provozoven. Výhodně lze při instalaci do podhledu použít flexohadice, tvarovky, rozváděcí skříně a talířové ventily. Ventilátory lze použít ve spojení s inteligentním čidlem AIRSENS-RH nebo s hygrostatem kombinovaným s termostatem pro odvětrání vlhkých prostor.
Dodatočné parametre
| Kategória: | Ventilátory Jetline |
|---|---|
| Záruka: | 2 roky |
| Hmotnosť: | 4.5 kg |
| EAN: | 8413893331854 |
| Napätie [V]: | 230 |
| IP ochrana: | IP44 |
| Otáčky [min-1]: | 2730 |
| Proud [A]: | 0,4 |
| Priemer potrubia [mm]: | 150 |
| Průtok [m3/h]: | 750 |
| Příkon [W]: | 83 |
| Typ motoru: | AC |
| Hlučnosť [dB(A)]: | 52 / 31 / 50 |
Diskusia
Buďte prvý, kto napíše príspevok k tejto položke.
Obchodní a exportní oddělení Soler & Palau, kde se nachází kromě velkoplošných administrativních prostor a podzemních garáží také vyrovnávací, plně elektronicky řízené exportní sklady s plochou 10.000 m2, se zakládáním v 5-ti patrech a s velkokapacitní nákladovou rampou pro nakládku kamionů.
Zkušebny a laboratoře Soler & Palau
Zkušebny a laboratoře Soler & Palau jsou vybaveny nejmodernějším zařízením a jsou akreditovanou národní nezávislou zkušebnou dle EN 45001-89, která provádí měření i pro další výrobce. Měření jsou prováděna podle standardů AMCA a BRITISH STANDARDS. Ve zkušebně je 6 stálých měřících tratí na měření výkonových charakteristik ventilátorů včetně potřebných řídících pracovišť. Z roku 1948 pocházejí patentové přihlášky Eduarda SOLERA na motor s vnějším rotorem, který firma Soler & Palau začala využívat ve ventilátorech o mnoho let dříve než ostatní výrobci. Ti tento typ motoru začali využívat až poté, co Soler & Palau vyrobil první milion motorů.
