Soler & Palau HCTT/4-900 B
Kód: SP161100100Detailní popis produktu
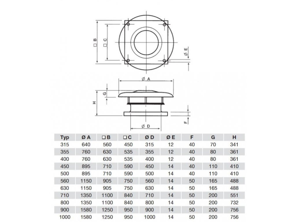
Odvodní střešní axiální ventilátor HCTT/4-900 B (400V) je vhodný svojí konstrukcí pro větrání průmyslových hal, provozoven, bazénů a skladů. Střešní ventilátor HCTT/4-900 B se zásadně montuje horizontálně (s osou motoru svisle) pomocí doporučeného příslušenství výrobcem. Střešní odvodní ventilátor má skříň konstruovanou pro horizontální výfuk vzdušniny. Podstavec ventilátoru je vyroben z ocelového pozinkovaného plechu, galvanicky pokovené jsou i držáky, mřížka a šrouby. Teplotní odolnost střešního ventilátoru je 70 °C.
Skříň ventilátoru
Skříň je konstruována pro horizontální výfuk vzdušiny. Podstavec ventilátoru je z ocelového pozinkovaného plechu, galvanicky pokovené jsou i držáky, mřížka a šrouby. Stříška ventilátoru je z Al plechu. Motor ventilátoru je uložen v proudu vzdušiny.
Oběžné kolo
Oběžné kolo ventilátoru je axiální. U velikostí 315 až 400 je vyrobeno z termoplastu vyztuženého skelným vláknem, u velikosti 450 až 1000 je náboj ze slitiny Al a lopatky plastové. Oběžné kolo je staticky a dynamicky vyváženo.
Motor ventilátoru
Motor je asynchronní s odporovou kotvou nakrátko, stator s chladícími žebry, povrchová úprava černým epoxidovým lakem. Motory jsou sériově vybaveny termopojistkou (mimo velikosti 800 až 1000). Vinutí je v tropikalizační úpravě s izolací třídy F a trvalou pracovní teplotou -40 až +70 ?C, krytí IP65 (velikost 800 až 1000 má pracovní teplotu -20 až +40°C a krytí IP55). Ložiska mají tukovou náplň na dobu životnosti.
Směr otáčení
Směr otáčení je pro přívod nebo odvod ve smyslu šipky na skříni ventilátoru. Při opačném směru je nutno změnit pořadí fází.
Svorkovnice ventilátoru
Svorkovnice je standardně z černého plastu, u jednofázových ventilátorů obsahuje také rozběhový kondenzátor. Krytí je IP65. Svorkovnice je umístěna na skříni ventilátoru.
Regulace otáček
Regulace otáček se provádí změnou napětí nebo frekvence (regulátor viz tabulka). Motory označené 400 V je možno přepínat pro snížení otáček přepínačem SD 2. (Alternativně dodávané motory 230/400 V nelze tímto způsobem regulovat a lze je provozovat pouze ve spojení Y).
Montáž
Ventilátor se montuje zásadně horizontálně pomocí příslušenství (s osou motoru svisle).
Hluk
Hluk emitovaný ventilátorem je uveden v tabulkách jako hodnoty akustického tlaku ve vzdálenosti 1,5 m na straně sání a výtlaku. Pro získání hodnot akustického výkonu v oktávových pásmech je nutno k hodnotě akustického tlaku přičíst korekční faktor v dole uvedených tabulkách.
Doplňkové parametry
| Kategorie: | Střešní ventilátory |
|---|---|
| Záruka: | 2 roky |
| Hmotnost: | 77 kg |
| EAN: | 8413893116161 |
| Napětí [V]: | 400 |
| Varianta: | Odvodní |
| Maximální teplota [°C]: | 40 |
| Průměr potrubí [mm]: | 900 |
| Krytí: | IP55 |
| Otáčky [min-1]: | 1400 |
| Příkon [W]: | 4000 |
| Průtok [m3/h]: | 30000 |
| Akustický tlak (sání / výtlak) [dB(A)]: | 92 / 89 |
| Proud [A]: | 7,5 |
Diskuze
Buďte první, kdo napíše příspěvek k této položce.
Obchodní a exportní oddělení Soler & Palau, kde se nachází kromě velkoplošných administrativních prostor a podzemních garáží také vyrovnávací, plně elektronicky řízené exportní sklady s plochou 10.000 m2, se zakládáním v 5-ti patrech a s velkokapacitní nákladovou rampou pro nakládku kamionů.
Zkušebny a laboratoře Soler & Palau
Zkušebny a laboratoře Soler & Palau jsou vybaveny nejmodernějším zařízením a jsou akreditovanou národní nezávislou zkušebnou dle EN 45001-89, která provádí měření i pro další výrobce. Měření jsou prováděna podle standardů AMCA a BRITISH STANDARDS. Ve zkušebně je 6 stálých měřících tratí na měření výkonových charakteristik ventilátorů včetně potřebných řídících pracovišť. Z roku 1948 pocházejí patentové přihlášky Eduarda SOLERA na motor s vnějším rotorem, který firma Soler & Palau začala využívat ve ventilátorech o mnoho let dříve než ostatní výrobci. Ti tento typ motoru začali využívat až poté, co Soler & Palau vyrobil první milion motorů.
