Maico DZR 40/6 B Ex e
Kód: MA0086.0709Podrobný popis
Nevýbušný nástěnný axiální ventilátor DZQ 20/2 B Ex e se čtvercovou základnou v průměru DN200. Nevýbušný axiální ventilátor DZQ 20/2 B Ex e je vhodný do zóny 1 a 2. Axiální nevýbušný ventilátor DZQ 20/2 B Ex e je určen pro Médium Plyn. Nástěnný axiální ventilátor do výbušného prostředí DZQ 20/2 B Ex e je určen pro lakovny, nabíjecí stanice, laboratoře a další různá pracovistě, kde je možný výskyt výbuchu plynů. Ventilátor do výbušného prostředí má skříň vyrobenou z pozinkovaného ocelového plechu.
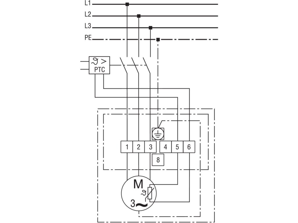
- pro tento účel MAICO nabízí ochranu motoru MVS 6 a TMS
Ochrana motoru MVS 6
- pro hlídání maximální teploty motoru
- zkouška vzorku podle směrnice 2014/34/EU (ATEX)
- instalace jen mimo prostředí s nebezpečím výbuchu
- vhodná pro vestavbu do rozváděče
- zkouška vzorku podle směrnice 2014/34/EU (ATEX)
- instalace jen mimo prostředí s nebezpečím výbuchu
EX-označení podle směrnice ATEX EX II 2 G, EX-označení podle normy Ex eb IIB + H2 T4 Gb / Ex h IIB + H2 T4 Gb
Dodatočné parametre
| Kategória: | Maico DZR Ex e - nevýbušné axiální ventilátory do kruhového potrubí |
|---|---|
| Záruka: | 2 roky |
| Hmotnosť: | 16.29 kg |
| EAN: | 4012799867098 |
| Napätie [V]: | 400 |
| Maximálna teplota [°C]: | 40 |
| Priemer potrubia [mm]: | 400 |
| Krytie: | IP64 |
| Tepelná třída: | F |
| Otáčky [min-1]: | 985 |
| Příkon [W]: | 95 |
| Proud [A]: | 0,55 |
| Průtok [m3/h]: | 2770 |
Diskusia
Buďte prvý, kto napíše príspevok k tejto položke.
Značku MAICO Ventilatoren vyrábí něměcká společnost Maico Elektroapparate-Fabrik GmbH se sídlem ve Villingenu.
Výrobní program MAICO Ventilatoren zahrnuje kompletní sortiment v oblasti výkonných ventilátorů, včetně koupelnových. V oblasti malých ventilátorů jsou to radiální ventilátory, kanálové ventilátory, centrální ventilační systémy, axiální vysoce výkonné ventilátory nástěnné, nevýbušné ventilátory, i potrubní ventilátory a další.
Výrobky Maico Ventilatoren jsou ve světě známé svojí trvale vysokou kvalitou a spolehlivostí, což jim přináší výbornou pověst. Mnohá vyznamenání za design přesvědčují o odpovídajícím vzhledu a funkčnosti. Také u svých zákazníků má firma MAICO jako slušný a spolehlivý partner vysoké hodnocení. To vše vede k tomu, že značka MAICO je dnes připravena díky zkušenostem a kvalitě nabízet rozmanité aplikace ve vzduchotechnice.
